0Порівняння товарів
Мотоквартал — Всеукраїнский магазин мототоварів
0
Мій кошик

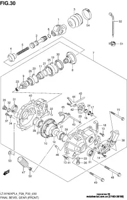
Ring snap (27403-38FB0-000) (431284)

Артикул: 431284

‾‾‾‾‾‾‾‾‾‾‾‾‾‾‾‾‾‾‾‾‾‾
↓ Применяется:

 

  1. Квадроцикл (ATV) / 2014 / LT A750XPZXiC / Final bevel gear (front)
  2. Квадроцикл (ATV) / 2014 / LT A400FZ / Final bevel gear (front) (lt-a400fl4 p33)
  3. Квадроцикл (ATV) / 2014 / LT A400FZ / Final bevel gear (front) (lt-a400fzl4 p28)
  4. Квадроцикл (ATV) / 2014 / LT A400FZ / Final bevel gear (front) (lt-a400fzl4 p33)
  5. Квадроцикл (ATV) / 2014 / LT A400FZ / Final bevel gear (front) (lt-a400fl4 p28)
  6. Квадроцикл (ATV) / 2014 / LT F400F C Z / Final bevel gear (front) (lt-f400fzl4 p33)
  7. Квадроцикл (ATV) / 2014 / LT F400F C Z / Final bevel gear (front) (lt-f400fl4 p28)
  8. Квадроцикл (ATV) / 2014 / LT F400F C Z / Final bevel gear (front) (lt-f400fl4 p33)
  9. Квадроцикл (ATV) / 2014 / LT F400F C Z / Final bevel gear (front) (lt-f400fzl4 p28)
  10. Квадроцикл (ATV) / 2014 / LT A750XPZ / Final bevel gear (front)
  11. Квадроцикл (ATV) / 2004 / LT F500F / Final bevel gear (front)('05_11~)
  12. Квадроцикл (ATV) / 2004 / LT F500F / Final bevel gear (front)(~'05_10)
  13. Квадроцикл (ATV) / 2004 / LT A400F / Final bevel gear (front)(model k7)
  14. Квадроцикл (ATV) / 2004 / LT A400F / Final bevel gear (front)(model k4_k5_k6 f.no.5saak46k3x102001~)
  15. Квадроцикл (ATV) / 2004 / LT A400F / Final bevel gear (front)(model k3_k4
  16. Квадроцикл (ATV) / 2004 / LT F400F / Final bevel gear (front)(model k7)
  17. Квадроцикл (ATV) / 2004 / LT F400F / Final bevel gear (front)(model k4_k5_k6
  18. Квадроцикл (ATV) / 2004 / LT F400F / Final bevel gear (front)(model k3_k4
  19. Квадроцикл (ATV) / 2004 / LT A500FBC / Final bevel gear (front)('~05_10)
  20. Квадроцикл (ATV) / 2004 / LT A500FBC / Final bevel gear (front)('05_11~)
  21. Квадроцикл (ATV) / 2009 / LT-A400F / Final bevel gear (front)
  22. Квадроцикл (ATV) / 2009 / LT-A750XZ / Final bevel gear (front)
  23. Квадроцикл (ATV) / 2009 / LT-F400F / Final bevel gear (front)
  24. Квадроцикл (ATV) / 2009 / LT-A750XPZ / Final bevel gear (front)
  25. Квадроцикл (ATV) / 2009 / LT-A450XZ / Final bevel gear (front)
  26. Квадроцикл (ATV) / 2011 / LT-F400FZ / Final bevel gear (front)
  27. Квадроцикл (ATV) / 2011 / LT-A400F / Final bevel gear (front)
  28. Квадроцикл (ATV) / 2011 / LT-A750XZ / Final bevel gear (front)
  29. Квадроцикл (ATV) / 2011 / LT-A750XPZ / Final bevel gear (front)
  30. Квадроцикл (ATV) / 2002 / LT-F400F Eiger 4WD 2002 / Final bevel gear (front)
  31. Квадроцикл (ATV) / 2002 / LT-A500F Vinson 4WD / Final bevel gear (front) (model k2)
  32. Квадроцикл (ATV) / 2002 / LT-A500F Vinson 4WD / Final bevel gear (front) (model k3)
  33. Квадроцикл (ATV) / 2002 / LT-A400F Eiger Auto 4WD 2002 / Final bevel gear (front)
  34. Квадроцикл (ATV) / 2007 / LT F500F / Final bevel gear (front)('05_11~)
  35. Квадроцикл (ATV) / 2007 / LT F500F / Final bevel gear (front)(~'05_10)
  36. Квадроцикл (ATV) / 2007 / LT A400F / Final bevel gear (front)(model k7)
  37. Квадроцикл (ATV) / 2007 / LT A400F / Final bevel gear (front)(model k4_k5_k6 f.no.5saak46k3x102001~)
  38. Квадроцикл (ATV) / 2007 / LT A400F / Final bevel gear (front)(model k3_k4
  39. Квадроцикл (ATV) / 2007 / LT A450X / Final bevel gear (front)
  40. Квадроцикл (ATV) / 2007 / LT F400F / Final bevel gear (front)(model k7)
  41. Квадроцикл (ATV) / 2007 / LT F400F / Final bevel gear (front)(model k4_k5_k6
  42. Квадроцикл (ATV) / 2007 / LT F400F / Final bevel gear (front)(model k3_k4
  43. Квадроцикл (ATV) / 2007 / LT A700X / Final bevel gear (front)
  44. Квадроцикл (ATV) / 2007 / LT A500FBC / Final bevel gear (front)('~05_10)
  45. Квадроцикл (ATV) / 2007 / LT A500FBC / Final bevel gear (front)('05_11~)
  46. Квадроцикл (ATV) / 2003 / LT-A500F Vinson 4WD / Final bevel gear (front) (model k2)
  47. Квадроцикл (ATV) / 2003 / LT-A500F Vinson 4WD / Final bevel gear (front) (model k3)
  48. Квадроцикл (ATV) / 2003 / LT A400F / Final bevel gear (front)(model k7)
  49. Квадроцикл (ATV) / 2003 / LT A400F / Final bevel gear (front)(model k4_k5_k6 f.no.5saak46k3x102001~)
  50. Квадроцикл (ATV) / 2003 / LT A400F / Final bevel gear (front)(model k3_k4
  51. Квадроцикл (ATV) / 2003 / LT F400F / Final bevel gear (front)(model k7)
  52. Квадроцикл (ATV) / 2003 / LT F400F / Final bevel gear (front)(model k4_k5_k6
  53. Квадроцикл (ATV) / 2003 / LT F400F / Final bevel gear (front)(model k3_k4
  54. Квадроцикл (ATV) / 2003 / LT-F500F Vinson 4WD 2003 / Final bevel gear (front)
  55. Квадроцикл (ATV) / 2013 / LT-A750XZ / Final bevel gear (front)
  56. Квадроцикл (ATV) / 2013 / LT-A750XPZ / Final bevel gear (front)
  57. Квадроцикл (ATV) / 2013 / LT A400FZ / Final bevel gear (front)
  58. Квадроцикл (ATV) / 2013 / LT F400FZ / Final bevel gear (front)
  59. Квадроцикл (ATV) / 2005 / LT F500F / Final bevel gear (front)('05_11~)
  60. Квадроцикл (ATV) / 2005 / LT F500F / Final bevel gear (front)(~'05_10)
  61. Квадроцикл (ATV) / 2005 / LT A400F / Final bevel gear (front)(model k7)
  62. Квадроцикл (ATV) / 2005 / LT A400F / Final bevel gear (front)(model k4_k5_k6 f.no.5saak46k3x102001~)
  63. Квадроцикл (ATV) / 2005 / LT A400F / Final bevel gear (front)(model k3_k4
  64. Квадроцикл (ATV) / 2005 / LT F400F / Final bevel gear (front)(model k7)
  65. Квадроцикл (ATV) / 2005 / LT F400F / Final bevel gear (front)(model k4_k5_k6
  66. Квадроцикл (ATV) / 2005 / LT F400F / Final bevel gear (front)(model k3_k4
  67. Квадроцикл (ATV) / 2005 / LT A500FBC / Final bevel gear (front)('~05_10)
  68. Квадроцикл (ATV) / 2005 / LT A500FBC / Final bevel gear (front)('05_11~)
  69. Квадроцикл (ATV) / 2006 / LT F500F / Final bevel gear (front)('05_11~)
  70. Квадроцикл (ATV) / 2006 / LT F500F / Final bevel gear (front)(~'05_10)
  71. Квадроцикл (ATV) / 2006 / LT A400F / Final bevel gear (front)(model k7)
  72. Квадроцикл (ATV) / 2006 / LT A400F / Final bevel gear (front)(model k4_k5_k6 f.no.5saak46k3x102001~)
  73. Квадроцикл (ATV) / 2006 / LT A400F / Final bevel gear (front)(model k3_k4
  74. Квадроцикл (ATV) / 2006 / LT F400F / Final bevel gear (front)(model k7)
  75. Квадроцикл (ATV) / 2006 / LT F400F / Final bevel gear (front)(model k4_k5_k6
  76. Квадроцикл (ATV) / 2006 / LT F400F / Final bevel gear (front)(model k3_k4
  77. Квадроцикл (ATV) / 2006 / LT A700X / Final bevel gear (front)
  78. Квадроцикл (ATV) / 2006 / LT-A700X King Quad / Final bevel gear (front)
  79. Квадроцикл (ATV) / 2006 / LT A500FBC / Final bevel gear (front)('~05_10)
  80. Квадроцикл (ATV) / 2006 / LT A500FBC / Final bevel gear (front)('05_11~)
  81. Квадроцикл (ATV) / 2008 / LT A400F / Final bevel gear (front)
  82. Квадроцикл (ATV) / 2008 / LT A450X / Final bevel gear (front)
  83. Квадроцикл (ATV) / 2008 / LT F400F / Final bevel gear (front)
  84. Квадроцикл (ATV) / 2008 / LT A750XZ / Final bevel gear (front)
  85. Квадроцикл (ATV) / 2012 / LT-A750XZ / Final bevel gear (front)
  86. Квадроцикл (ATV) / 2012 / LT-A400FZ / Final bevel gear (front)
  87. Квадроцикл (ATV) / 2012 / LT-F400F / Final bevel gear (front)
  88. Квадроцикл (ATV) / 2012 / LT-A750XP / Final bevel gear (front)


______________

Додайте перший відгук
Новий відгук
Оцініть товар
Надіслати
308 грн
Доступний

2740338FB0

Артикул
грн.
дн.
шт.
431284 308
1
Зайдіть, щоб
відобразити знижку

1.Нова Пошта, по тарифам перевізника.
2.Самовивіз з пункту видачі.
Докладніше про доставку
Про обмін та повернення

- переказом через платіжні системи банків
- накладеним платежем перевізнику при сумі замовлення від 200 грн.
- в пункті видачи готівкою або карткою

Важливо: деякі товари продаються тільки по повній або частковій передоплаті.
Докладніше про оплату

Докладніше про бонуси

Характеристики
Короткий опис Part number: 27403-38FB0 (2740338FB0)
Вгору