0Порівняння товарів
Мотоквартал — Всеукраїнский магазин мототоварів
0
Мій кошик

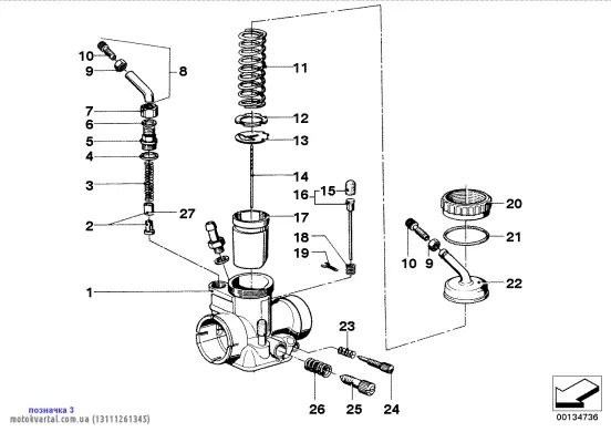
Пружина сжатия (13111261345) (967050)

Артикул: 967050
Compression spring (13111261345)

 

‾‾‾‾‾‾‾‾‾‾‾‾‾‾‾‾‾‾‾‾‾‾
↓ Применяется:


  1. R 60, R 75 , R 80, /7, RT (76-85)
  2. R50/5-R90S 69-76


______________

Додайте перший відгук
Новий відгук
Оцініть товар
Надіслати
170 грн
Доступний

13111261345

Артикул
грн.
дн.
шт.
967050 170
Зайдіть, щоб
відобразити знижку

1.Нова Пошта, по тарифам перевізника.
2.Самовивіз з пункту видачі.
Докладніше про доставку
Про обмін та повернення

- переказом через платіжні системи банків
- накладеним платежем перевізнику при сумі замовлення від 200 грн.
- в пункті видачи готівкою або карткою

Важливо: деякі товари продаються тільки по повній або частковій передоплаті.
Докладніше про оплату

Докладніше про бонуси

Вгору